modecconnect
Trouver un distributeur
M
T
E
0
7

Rotation

Tous nos moteurs pneumatiques peuvent être soit réversibles, ils peuvent tourner à droite et à gauche, soit non-réversibles, ils peuvent tourner à droite ou à gauche pour s’adapter à vos besoins métier.

Pour configurer votre reference, commencez par sélectionner le type de moteur souhaité.

Veuillez sélectionner le sens de rotation souhaité pour votre moteur non réversible.

Rotation Anti-Horaire (LT) Rotation Horaire (RT)

Rapport de réduction

Sélectionnez la référence de moteur qui correspond à votre problématique en fonction du rapport de réduction souhaité.

RéférenceRapport de réductionPression (Bars)Vitesse (tr/min)Couple (Nm)Puissance max (W)Consommation d’air (Nl/min)Dimensions
À PmaxÀ VideÀ PmaxMaxi (calage)DémarrageA (mm)Ø (mm)Poids (kg)
MTE 07 XT 00116.28100162000.561.000.92480700132451.4
57400148000.480.880.77380600
46800136000.410.700.62290500
MTE 07 XT 001

Graphique des performances

Graphique de consommation d'air

6.2 Bars
5 Bars
4 Bars
RéférenceRapport de réductionPression (Bars)Vitesse (tr/min)Couple (Nm)Puissance max (W)Consommation d’air (Nl/min)Dimensions
À PmaxÀ VideÀ PmaxMaxi (calage)DémarrageA (mm)Ø (mm)Poids (kg)
MTE 07 RV 00116.26900138000.530.920.81380700132451.4
56200124000.450.750.66290600
45800116000.360.610.54220500
MTE 07 RV 001

Graphique des performances

Graphique de consommation d'air

6.2 Bars
5 Bars
4 Bars

Bride

Arbre

Options

Choisissez le code d'options qui vous convient.

Options disponibles pour le MTE 07
Échappement collecté*
Certification ATEX
Sans lubrification
Kit start
Moteur inox
Code112327283637

*Échappement collecté par défaut

Détails de la commande

Informations supplémentaires pour votre commande

Merci pour votre demande.

Nous vous contacterons dans les plus brefs délais.

Créer une nouvelle référence

Ressources associées

Manuel de maintenance moteur pneumatique
Guide du moteur pneumatique
Catalogue moteurs pneumatiques
Fiche technique MTE 07

Caractéristiques techniques

XT: Désigne les moteurs non-réversible (LT/RT) LT: Sens de rotation anti-horaire RT: Sens de rotation horaire

MTE 07 XT

RéférenceRapport de réductionPression (Bars)Vitesse (tr/min)Couple (Nm)Puissance max (W)Consommation d’air (Nl/min)Dimensions
À PmaxÀ VideÀ PmaxMaxi (calage)DémarrageA (mm)Ø (mm)Poids (kg)
MTE 07 XT 00116.28100162000.561.000.92480700132451.4
57400148000.480.880.77380600
46800136000.410.700.62290500

Les données ci-dessus doivent être considérées avec une marge d’erreur de +/- 5%

MTE 07 XT 001

Graphique des performances

Graphique de consommation d'air

6.2 Bars
5 Bars
4 Bars
RV: Désigne les moteurs réversible Sens de rotation anti-horaire et horaire

MTE 07 RV

RéférenceRapport de réductionPression (Bars)Vitesse (tr/min)Couple (Nm)Puissance max (W)Consommation d’air (Nl/min)Dimensions
À PmaxÀ VideÀ PmaxMaxi (calage)DémarrageA (mm)Ø (mm)Poids (kg)
MTE 07 RV 00116.26900138000.530.920.81380700132451.4
56200124000.450.750.66290600
45800116000.360.610.54220500

Les données ci-dessus doivent être considérées avec une marge d’erreur de +/- 5%

MTE 07 RV 001

Graphique des performances

Graphique de consommation d'air

6.2 Bars
5 Bars
4 Bars

Connexion et lubrification

Diamètre mini des raccords (mm)Diamètre mini des tuyaux (mm)Lubrification - 6.2 bars (gouttes/min)
AlimentationÉchappementAlimentationÉchappement
57693

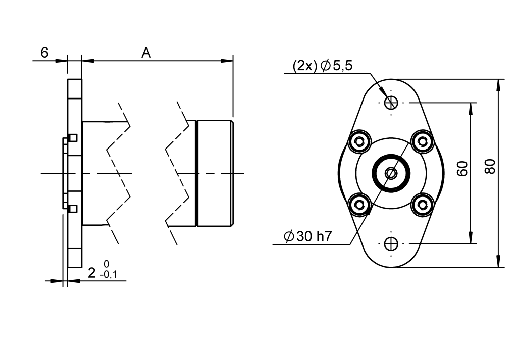
Encombrement

Charge axiale et radiale

* Pour 100 millions de tours (charge appliquée à la moitié de la longueur de l’axe de sortie)

Brides compatibles

Ce moteur est compatible avec les brides du Groupe II

Bride AA

Bride AB

Bride AC

Bride AD

IEC71B14

Bride AE

Arbres compatibles

Ce moteur est compatible avec les arbres du Groupe II

Arbre 001

Claveté Ø12

Arbre 004

Claveté Ø10

Arbre 006

Claveté Ø11

Arbre S01

Claveté Ø14 – IEC71B14

Arbre CL2

Claveté Ø11 – IEC63B14

Arbre CL2

Claveté Ø11 – IEC63B14

Arbre 001

Claveté Ø12

Arbre 003

Claveté Ø19 – IEC80B14 / IEC80B5

Arbre CL4

Claveté Ø25

Arbre CL3

Claveté Ø35

Accessoires compatibles

Options disponibles

Options disponibles pour le MTE 07
Échappement collecté*
Certification ATEX
Sans lubrification
Kit start
Moteur inox
Code112327283637

*Échappement collecté par défaut

modec - Copyright © 2025 - Tous droits réservés - Réalisé par ARKOD
crossmenu