modecconnect
Find a distributor
N
T
Z
0
8

Direction

All our air motors can be either reversible, they can turn right and left, or straight, they can turn right or left to adapt to your business needs.

To configure your motor reference, start by selecting the desired motor type.

Please select the desired direction of rotation for your non-reversible motor.

Counter Clockwise (LT) Clockwise (RT)

Reduction ratio

Select the motor reference that corresponds to your problem according to the desired reduction ratio.

ReferenceReduction ratioPressure (Bars)Speed (RPM)Torque (Nm)Power max (W)Air usage (Nl/min)Dimensions
@ Max powerFree@ Max powerMax (stall)Starting torqueA (mm)Ø (mm)Weight (kg)
NTZ 08 XT 3943946.221411993603174301000168.288.84.7
51938166289255331850
41734133224197239650
NTZ 08 XT 5645646.214292855164544301000168.288.84.7
51327237414365331850
41224190320282239650
NTZ 08 XT 394

Performances chart

Air consumption chart

6.2 Bars
5 Bars
4 Bars
ReferenceReduction ratioPressure (Bars)Speed (RPM)Torque (Nm)Power max (W)Air usage (Nl/min)Dimensions
@ Max powerFree@ Max powerMax (stall)Starting torqueA (mm)Ø (mm)Weight (kg)
NTZ 08 RV 3943946.22040202317279420950311.288.84.9
51836168257226317750
41633137202178236600
NTZ 08 RV 5645646.21428290454399420950311.288.84.9
51325241368324317750
41123196289255236600
NTZ 08 RV 394

Performances chart

Air consumption chart

6.2 Bars
5 Bars
4 Bars

Flange

Shaft

Choose the shaft that's right for you.

Options

Choose the options code that's right for you.

Available options for the NTZ 08 XT
Collected exhaust
Kit start
Lubrication free
Atex certificat
Code
010709102122

Choose the options code that's right for you.

Available options for the NTZ 08 RV
right/left inverser
Kit start
Lubrication free
Atex certificat
Code
031216172930

Order details

Additional information for your order

Thank you for your request.

We will contact you as soon as possible.

Build a new reference

NTZ 08

Maximum Power : 420 - 430 W

Associated resources

Air motor maintenance manual
Air motor guide
Air motor catalogue
Technical sheet NTZ 08

Technical specifications

XT: Refers to non-reversible motors (LT/RT) LT: Counterclockwise direction of rotation RT: Clockwise direction of rotation

NTZ 08 XT

ReferenceReduction ratioPressure (Bars)Speed (RPM)Torque (Nm)Power max (W)Air usage (Nl/min)Dimensions
@ Max powerFree@ Max powerMax (stall)Starting torqueA (mm)Ø (mm)Weight (kg)
NTZ 08 XT 3943946.221411993603174301000168.288.84.7
51938166289255331850
41734133224197239650
NTZ 08 XT 5645646.214292855164544301000168.288.84.7
51327237414365331850
41224190320282239650

Data indicated in this table have an accuracy of +/- 5%

NTZ 08 XT 394

Performances chart

Air consumption chart

6.2 Bars
5 Bars
4 Bars
RV: Refers to reversible motors Counterclockwise and clockwise direction of rotation

NTZ 08 RV

ReferenceReduction ratioPressure (Bars)Speed (RPM)Torque (Nm)Power max (W)Air usage (Nl/min)Dimensions
@ Max powerFree@ Max powerMax (stall)Starting torqueA (mm)Ø (mm)Weight (kg)
NTZ 08 RV 3943946.22040202317279420950311.288.84.9
51836168257226317750
41633137202178236600
NTZ 08 RV 5645646.21428290454399420950311.288.84.9
51325241368324317750
41123196289255236600

Data indicated in this table have an accuracy of +/- 5%

NTZ 08 RV 394

Performances chart

Air consumption chart

6.2 Bars
5 Bars
4 Bars

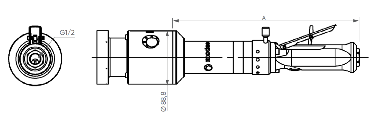
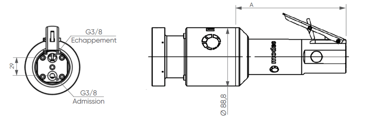
Connection and lubrication

Min fitting diameter (mm)Min pipe diameter (mm)Lubrication - 6.2 bars (drops/min)
AlimentationExhaustAlimentationExhaust
7109134

Layout

NTZ 08 XT

NTZ 08 RV

Maximum radial & axial load

* For 100 millions revolutions ( load applied on half shaft lenght)

Compatible flanges

This motor is compatible with flanges of the Groupe VI

Flange AA

Flange AB

IEC80B14

Flange AB

IEC80B5

Flange Al

Flange Al

Flange B

Flange H

Compatible shafts

This motor is compatible with shafts of the Groupe VI

Shaft 003

Keyed Ø19 – IEC80B14 / IEC80B5

Shaft CA1

Carré 3/4″

Shaft CL2

Keyed Ø1″

Shaft CL4

Claveté Ø25

Shaft CL2

Claveté Ø11 – IEC63B14

Shaft CL2

Claveté Ø11 – IEC63B14

Shaft 001

Claveté Ø12

Shaft 003

Claveté Ø19 – IEC80B14 / IEC80B5

Shaft CL4

Claveté Ø25

Shaft CL3

Claveté Ø35

Compatible accessories

Available options

Available options for the NTZ 08 XT
Échappement collecté
Kit start
Lubrication free
Atex certificat
Code
010709102122
Available options for the NTZ 08 RV
Inverseur gauche / droite intégré
Kit start
Lubrication free
Atex certificat
Code
031216172930
modec - Copyright © 2025 - Tous droits réservés - Réalisé par ARKOD
crossmenu