modecconnect
Trouver un distributeur

Adaptateur à bras pour volants plats

Ces adaptateurs sont destinés à des volants plats ou légèrement coniques (bras inclinés de 30° maximum par rapport au plan du volant).

Différents modèles disponibles en fonction du nombre de bras des volants à manœuvrer.

Ils peuvent être utilisés avec l’actionneur droit ou à renvoi d’angle grâce aux interfaces KTA002 ou bien avec la tête creuse grâce aux interfaces TTA002.

UTILISATION DES DOIGTS DIRECTEMENT SUR TÊTE CREUSE

Adaptateur à bras pour volants plats

Ces adaptateurs sont destinés à des volants plats ou légèrement coniques (bras inclinés de 30° maximum par rapport au plan du volant).

Différents modèles disponibles en fonction du nombre de bras des volants à manœuvrer.

Ils peuvent être utilisés avec l’actionneur droit ou à renvoi d’angle grâce aux interfaces KTA002 ou bien avec la tête creuse grâce aux interfaces TTA002.

UTILISATION DES DOIGTS DIRECTEMENT SUR TÊTE CREUSE

Ressources associées

Fiche technique adaptateurs à bras - FSBxxx
Catalogue actionneurs de vanne portables
Etude de cas : 3 applications d'actionneurs portables
Etude de cas : 4 applications d'actionneurs portables

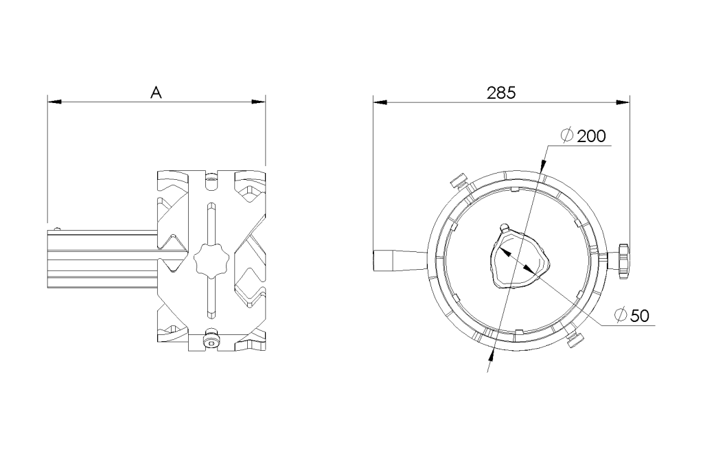
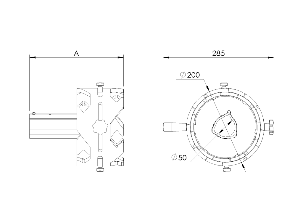
Caractéristiques techniques

RéférencePoids (Kg) Couple max (Nm)A (mm)
FSBxxx-205.21000242
FSBxxx-406.41000442
FSBxxx-607.61000642

Encombrement

FSB245-20

Pour volants à 2, 4 ou 5 bras

FSB356-20

Pour volants à 3, 5 ou 6 bras

Les adaptateurs FSB nécessitent l'interface KTA002 avec une sortie droite
ou à renvoi d'angle, ou TTA002 avec une tête creuse.

modec - Copyright © 2025 - Tous droits réservés - Réalisé par ARKOD
crossmenu