
Prévues pour se fixer sur une vanne ou un système en particulier, ces brides sont notamment adaptées pour les batardeaux.
Elles requièrent le pré-équipement de la vanne avec un système fixe sur lequel s’installe l’actionneur. Certaines nécessitent donc une étude préalable mais sont parfaitement adaptées au système et à son environnement.
Elles sont particulièrement utiles pour des vannes ou systèmes sans volant et manœuvrés régulièrement. Elles sont dessinées sur mesure par notre bureau d’étude après obtention des caractéristiques du système à manœuvrer.

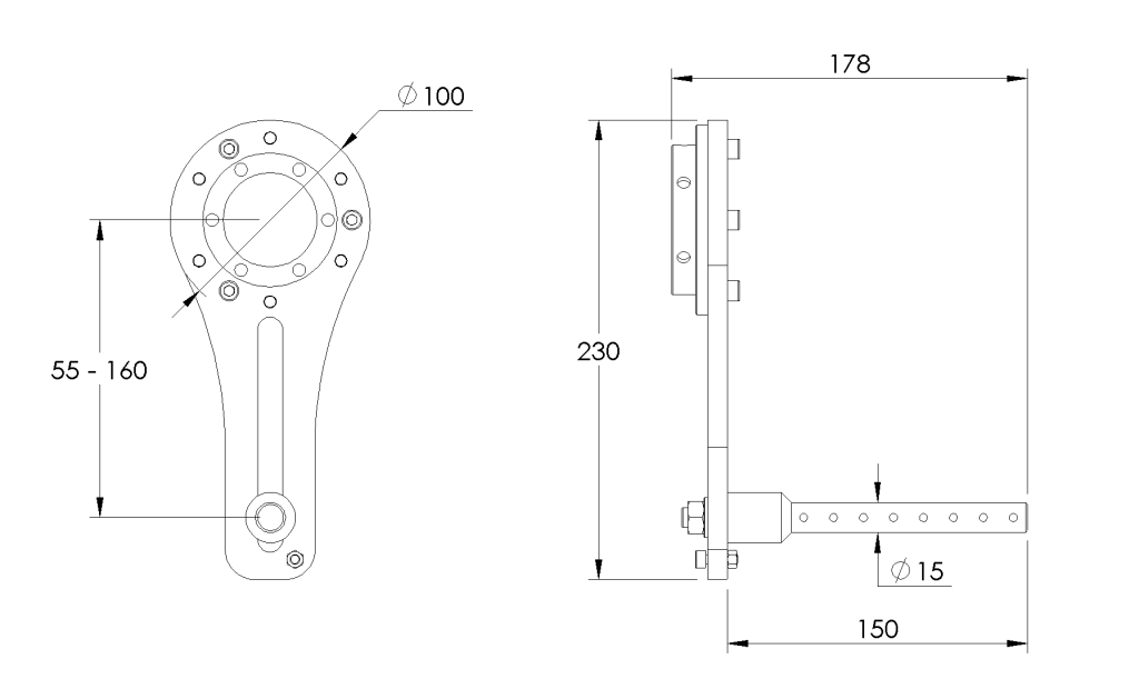
Prévues pour se fixer sur une vanne ou un système en particulier, ces brides sont notamment adaptées pour les batardeaux.
Elles requièrent le pré-équipement de la vanne avec un système fixe sur lequel s’installe l’actionneur. Certaines nécessitent donc une étude préalable mais sont parfaitement adaptées au système et à son environnement.
Elles sont particulièrement utiles pour des vannes ou systèmes sans volant et manœuvrés régulièrement. Elles sont dessinées sur mesure par notre bureau d’étude après obtention des caractéristiques du système à manœuvrer.
| Référence | Poids (Kg) | Couple max (Nm) |
|---|---|---|
| BS001 | 1.5 | 350 |



Brides spéciales