
Les actionneurs rotatifs portables thermiques modec permettent un fonctionnement autonome sans autre limite que la réserve de carburant disponible. Cela les rend particulièrement adaptés pour une utilisation dans des endroits isolés à l’extérieur.
Particulièrement robustes, ils disposent d’un système d’embrayage intégré qui protège l’opérateur et le matériel, même en cas de blocage complet de la vannes.

Les actionneurs rotatifs portables thermiques modec permettent un fonctionnement autonome sans autre limite que la réserve de carburant disponible. Cela les rend particulièrement adaptés pour une utilisation dans des endroits isolés à l’extérieur.
Particulièrement robustes, ils disposent d’un système d’embrayage intégré qui protège l’opérateur et le matériel, même en cas de blocage complet de la vannes.
| Droit | Vitesse à vide (tr/min) | Couple max (Nm) | Couple de démarrage (Nm) | Options | ||
|---|---|---|---|---|---|---|
| 02 | 03 * | 05 * | ||||
| PY68E-031 | 305 | 55 | 41 | |||
| PY68S-087 | 100 | 150 | 115 | |||
| PY68S-148 | 64 | 260 | 195 | |||
| PY68H-192 | 50 | 340 | 250 | |||
| PY68H-293 | 32 | 520 | 390 | |||
| PY68H-641 | 15 | 1140** | 850** | |||
| Avec RA30 | Vitesse à vide (tr/min) | Couple max (Nm) | Couple de démarrage (Nm) | Options | ||
|---|---|---|---|---|---|---|
| 02 | 03 * | 05 * | ||||
| PY68E-031 | 305 | 55 | 41 | |||
| PY68S-087 | 100 | 150 | 115 | |||
| PY68S-148 | 64 | 260 | 195 | |||
| PY68H-192 | 50 | 340 | 250 | |||
| PY68H-293 | 32 | 520 | 390 | |||
| PY68H-641 | Max 600 Nm. Utilisez le limiteur de couple | |||||
| Avec tête creuse BJH01 | Vitesse à vide (tr/min) | Couple max (Nm) | Couple de démarrage (Nm) | Options | ||
|---|---|---|---|---|---|---|
| 02 | 03 * | 05 * | ||||
| PY68E-031 | 75 | 220 | 160 | |||
| PY68S-087 | 27 | 600 | 460 | |||
| PY68S-148 | Max 600 Nm. Utilisez le limiteur de couple | |||||
| PY68H-192 | ||||||
| PY68H-293 | ||||||
| PY68H-641 | ||||||
| Avec tête creuse BJH02 | Vitesse à vide (tr/min) | Couple max (Nm) | Couple de démarrage (Nm) | Options | ||
|---|---|---|---|---|---|---|
| 02 | 03 * | 05 * | ||||
| PY68E-031 | 100 | 165 | 120 | |||
| PY68S-087 | 36 | 460 | 350 | |||
| PY68S-148 | 21 | 790 | 590 | |||
| PY68H-192 | 14 | 1000** | 760** | |||
| PY68H-293 | Non disponible | |||||
| PY68H-641 | ||||||
| Avec multiplicateur de couple | Vitesse à vide (tr/min) | Couple max (Nm) | Couple de démarrage (Nm) | Options | ||
|---|---|---|---|---|---|---|
| 02 | 03 * | 05 * | ||||
| PY68E-031 | 82 | 204 | 152 | |||
| PY68S-087 | 27 | 557 | 427 | |||
| PY68S-148 | Non disponible | |||||
| PY68H-192 | ||||||
| PY68H-293 | ||||||
| PY68H-641 | ||||||
** Attention! Ne pas utiliser l'actionneur lorsque le couple demandé est supérieur à 1000 Nm. Utiliser le limiteur de couple.
Voir les valeurs de couple ici
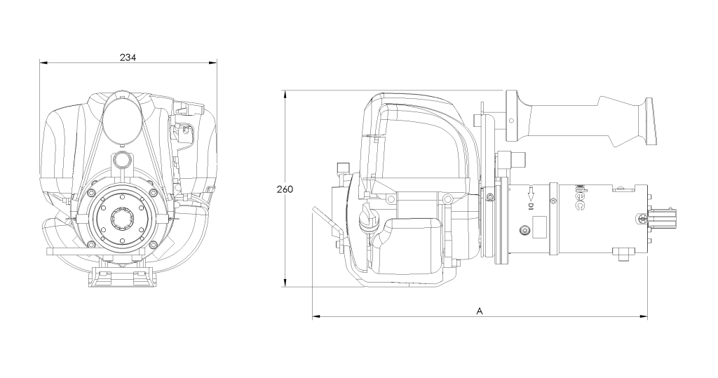
| Référence | Poids (kg) | Longueur A (mm) |
|---|---|---|
| PY68E-031 | 10 | 444 |
| PY68S-087 | 10.3 | |
| PY68S-148 | ||
| PY68H-192 | ||
| PY68H-293 | ||
| PY68H-641 | 10.6 | 457 |



| Accessoires | Fiches |
|---|
* Voir les valeurs de couple ici
Toutes les options ne sont pas disponible sur tous les modèles.
Vérifiez sur la fiche technique des options et accessoires qu'ils sont capables de supporter le couple fournis par l'actionneur.